你有什么問題嗎?
我們很高興提供幫助.
打電話給我們或使用我們的聯系方式
+86 512 81608180
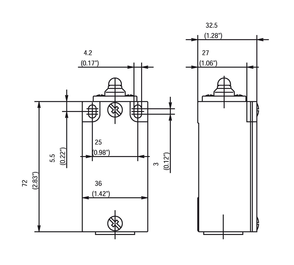
限位開關GC型
由于其緊湊的設計,幾乎適用于所有的安全和位置監控的應用。
防護等級IP 65,符合VDE 0470 T1
外殼:鋁壓鑄
鎖蓋:鋁板
操作頭可4 x 90°重新定位
電纜接口M20 x 1.5
通過AH桿逐級調節
接頭型號符合DIN EN50013
適用于高負荷的金屬操作頭
可選AH操作頭(基本設置:兩面端同時接觸)
慢動和速動觸點
版本:1 NC / 1NO, 2 NC / 2 NO, 2 NC,重疊觸點
根據要求提供鎖定功能
在電路圖中所有帶有
的常閉觸點均是強制斷開觸點類型:Zb(電流隔離轉換觸點)
