你有什么問題嗎?
我們很高興提供幫助.
打電話給我們或使用我們的聯系方式
+86 512 81608180
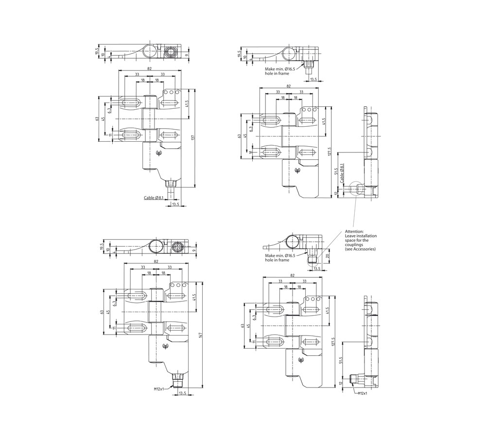
安全鉸鏈開關,SHS3型
SHS3是鉸鏈防護設備用的安全鉸鏈開關。
適用鉸鏈防護設備的靈活性和安全性
防護等級IP 67 / IP 69K
可自由反復調節開關點
開關點由用戶在270°范圍內自由調節
由于集成微調系統,即使設置開關點在±1.5°都可以簡單的重新調整
用于安裝在組件和焊接結構的插槽
左,右鉸鏈系統更可能優化布線
組件之間的安裝,同時保持所需的保護手指的間隙
2個正開安全觸點帶額外的常開信號觸點
承重鉸鏈是由不銹鋼或壓鑄鋅制成而開關系統裝在一個高質量的塑料外殼內
不銹鋼鉸鏈適用于艱巨的應用領域像食品飲料行業或重型鉸鏈防護設備
壓鑄鋅鉸鏈適用于標準應用領域
可提供M12接口
可提供超鎖技術版本
可提供AS-i型號
可提供兩個開關帶雙鉸鏈版本
