你有什么問題嗎?
我們很高興提供幫助.
打電話給我們或使用我們的聯系方式
+86 512 81608180
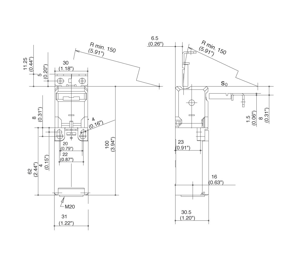
塑料安全開關SKI型
SKI是一個帶有帶獨分離操作頭的安全開關,基于博恩斯坦I88系列。SKI安全開關是為安裝在截面結構和有限安裝條件下的應用而設計的。與SKT相比,它為接線和變型提供了更多的連接空間,最多有三個開關觸點可用。
帶旋轉頭的安全開關
符合DIN EN 50047標準
防護等級IP 65,符合VDE 0470 T1
外殼和蓋子材料為PA 6,自動滅火(UL-94-V0)
操作頭可4 x 90°重新定位
兩個操作頭開口,使水平和垂直操作成為可能
電纜入口M20 x 1.5
版本:1 NC / 1 NO, 2 NC
在電路圖中所有帶有
的常閉觸點均是強制斷開觸點類型:Zb(電流隔離轉換觸點)
可提供M12接口
可提供AS-i型號
根據客戶要求預裝指定的線束和連接器
通用的鉸鏈操作頭(MRU)
