你有什么問題嗎?
我們很高興提供幫助.
打電話給我們或使用我們的聯系方式
+86 512 81608180
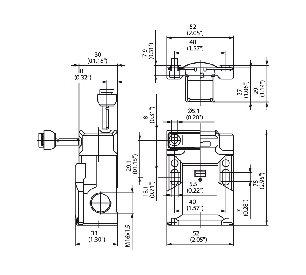
塑料安全開關SKC型
SKC安全位置開關是15毫米短款SK開關的變型。它是用于限定安裝空間的最佳選擇。 SKC開關還具有與SK開關相同的優勢。
防護等級IP 65,符合VDE 0470 T1
外殼和鎖蓋材料為PA6,可自熄(UL-94-V0)
操作頭可180°重新定位
兩個操作頭開口,使水平和垂直操作成為可能
電纜接口3 x M16 x 1.5
慢動觸點
版本:1 NC
在電路圖所有帶有
的常閉觸點均是強制斷開觸點類型:Zb(電流隔離轉換觸點)
多編碼防篡改設備
可提供M12接口
根據客戶要求預裝指定的線纜和操作頭
通用的鉸鏈操作頭(MRU)
集成操作頭夾持力(上達30 N)
